产品关键词:热风循环烘箱 CT-C-系列烘箱 干燥箱 非标烘箱 隧道烘箱
产品简介:CT 系列为第一代产品,平均热效率达 30% 左右,采用离心式风机,箱体外循环,手工控温的方式。经多次改造,形成了 CT-C 系列烘箱该系列全部采用轴流风机,配用了自动恒温控制系统,并备有电脑控制系统供选择。热效率达70%左右,它是利用蒸汽或电为热源,用轴流风机对热交换器对流换热的方式加热空气,热空气层流经过烘盘与物料进行热量传递。新鲜空气从进风口补充,废湿热空气从排湿口排出,不断地补充新鲜空气与不断排出湿热空气,这样来保持烘箱内适当的相对湿度。本系列烘箱的最大特点是部分热风在箱内进行循环,整个
联系方式:13961436197

热风循环烘箱,经过多次升级换代,达到了国内外先进水平 ;CT 系列为第一代产品,平均热效率达 30% 左右,采用离心式风机,箱体外循环,手工控温的方式。经多次改造,形成了 CT-C 系列烘箱该系列全部采用轴流风机,配用了自动恒温控制系统,并备有电脑控制系统供选择。热效率达70%左右,它是利用蒸汽或电为热源,用轴流风机对热交换器对流换热的方式加热空气,热空气层流经过烘盘与物料进行热量传递。新鲜空气从进风口补充,废湿热空气从排湿口排出,不断地补充新鲜空气与不断排出湿热空气,这样来保持烘箱内适当的相对湿度。本系列烘箱的最大特点是部分热风在箱内进行循环,整个循环过程为封闭式,从而增强了传热,节约了能源。

— 适用范围广,可干燥各种物料,是通用干燥设备。
— 大部分热风在箱内循环,热效率高,节约能源。
— 利用强制通风作用,箱内设有可调式分风板,物料干燥均匀,热源可采用蒸汽、导热油、电、热水、远红外等,选择广泛。
— 温度适应范围大,根据用户要求,可达常温至 350℃
— 整机噪音小,运转平稳,温度自控,安装维修方便。

热风循环烘箱为通用型干燥设备,适应面较宽,广泛适用于制药、化工、食品、轻工、重工等行业物料及产品的加热固化、干燥脱水。
如:原料药、生药、中药饮片、粉剂、颗粒、冲剂、大小蜜丸包装瓶、颜料、染料、脱水蔬菜、瓜果干、香肠、塑料树脂、电器原件、烘漆等。


CT-I 型烘箱尺寸示意图

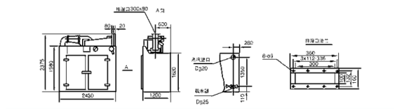
CT-C-I 型烘箱尺寸示意图

CT-C-6型热风循环干燥箱为浙江苍南客户定制的非标型红薯(地瓜)干干燥箱
更多视频